Động cơ AC cao cấp chính hãng ZD có phanh và không có phanh |
|
| Mã sản phẩm: | 5IK120RGU-CF/5GU18RC, 5IK60RGU-CF/5GU10K, 5RK60GU-CMF/5GU150RT,..... |
| Xuất xứ: | Chính hãng |
| Thương hiệu: | ZD MOTOR |
| Lượt xem: | 1.577 |
| Trạng thái: | Còn hàng |
Giá liên hệ |
|
| Liên hệ | |
Động cơ AC hãng ZD hàng cao cấp, momen xoắn lớn, chạy êm ái, độ bền sử dụng cực kỳ bền, chống ẩm chống nước rất tốt, đa dạng chủng loại tùy theo nhu cầu sử dụng của khách hàng. Hãng ZD motor là hãng SX tất cả các loại motor DC, AC, Brushless, Servo nổi tiếng hiện nay về chất lượng và giá cả tốt. Chuyên dùng cho băng tải, mâm xoay indexer, các máy móc cần momen xoắn lớn và có điều chỉnh được tốc độ,…
- CCC certificate number: 2010010401396721
- Brand: ZD
- Model: 5IK120RGU-CF/5GU18RC
- Place of Origin: Taiwan product/Assembled in China
- Power supply mode: AC
- Voltage: 220V
*Ý nghĩa của Code:
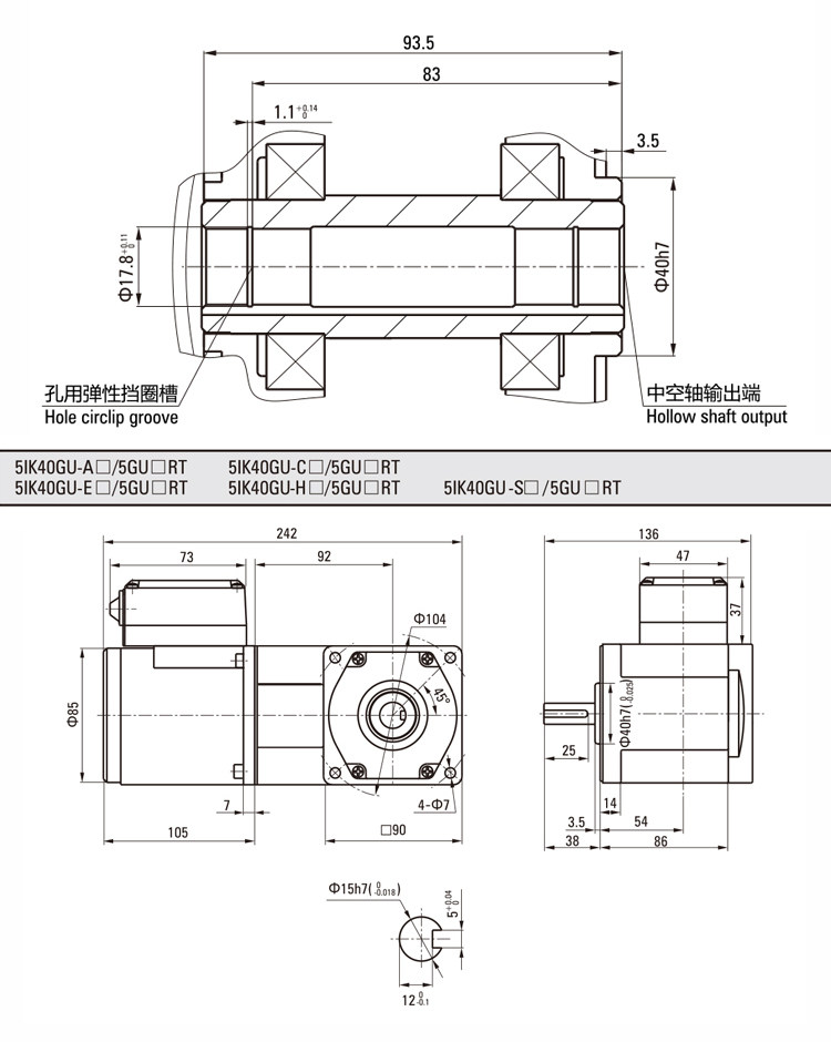
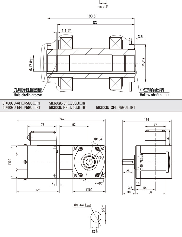
Model: 5IK120RGU-CF/5GU18RC: 5IK:Kích cỡ động cơ ứng với size 5, 120:công suất 120W, RGU:Có điều khiển tốc độ (Regulated speed) hoặc GU:Tốc độ cố định, CF: 220V with fan, 5GU18RC là hộp giảm tốc tỉ số truyền 18:1, RC:Kiểu hộp giảm tốc trục đầu ra vuông góc kiểu trục rỗng(Hollow shaft) hoặc RT: Straight shaft.
2 dây màu vàng là dây phanh từ 220V
































Không có bình luận